主要尺寸和性能数据
H |
35mm |
height system |
B |
120mm |
width carriage |
L |
81.7mm |
overall length carriage 1 |
C |
17,900N |
dynamic load rating 1 |
C0 |
37,000N |
static load rating 1 |
M0x |
1470Nm |
static moment rating about X axis |
M0y |
395Nm |
static moment rating about Y axis |
M0z |
395Nm |
static moment rating about Z axis |
≈m |
1.1kg |
重量 |
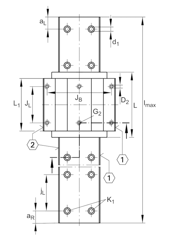
安装尺寸
A1 |
25.5mm |
|
JB |
107mm |
|
b |
69mm |
width rail |
A2 |
6.5mm |
|
L1 |
60.7mm |
|
JL |
45 mm |
|
H1 |
5.2mm |
|
H4 |
9.9mm |
|
H5 |
5mm |
|
T5 |
10mm |
|
T6 |
8.5mm |
|
G2 |
M8 |
fixing screws below (DIN ISO 4762-12.9) |
G2 MA |
41Nm |
maximum tightening torque 2 |
K3 |
M6 |
fixing screws below (DIN ISO 4762-12.9) |
K3 MA |
17Nm |
fixing screws below (DIN ISO 4762-12.9) |
K6 |
M6 |
fixing screws below (DIN 7984-8.8) |
K6 MA |
8Nm |
maximum tightening torque 2 |
D2 |
6.7 mm |
|
A3 |
10mm |
position lubrication connector |
G3 |
M6 |
lubrication connector |
tG3 |
6mm |
maximum permissible screw depth for lubrication connectors |
A4 |
6.5mm |
position lubrication connector |
G4 |
M6mm |
lubrication connector |
t G4 |
7mm |
maximum permissible screw depth for lubrication connectors |
JL6 |
25.75mm |
position lubrication connector |




