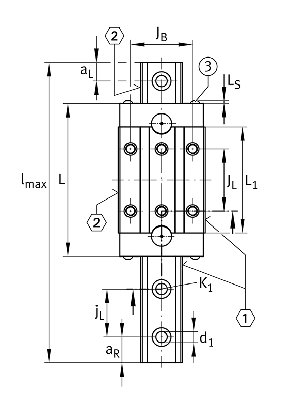
主要尺寸和性能数据
H |
27 mm |
height system |
B |
44 mm |
width carriage |
L |
71.4 mm |
overall length carriage |
C |
13,100 N |
dynamic load rating 1 |
C0 |
27,000 N |
static load rating 1 |
M0x |
332 Nm |
static moment rating about X axis |
M0y |
240 Nm |
static moment rating about Y axis |
M0z |
240 Nm |
static moment rating about Z axis |
≈m |
0.29 kg |
重量 |
主要尺寸和性能数据
安装尺寸
A1 |
12 mm |
|
JB |
32 mm |
|
b |
20 mm |
width rail |
A2 |
6 mm |
|
L1 |
50.4 mm |
|
LS |
1.3 mm |
|
JL |
36 mm |
|
H1 |
4.5 mm |
|
H5 |
5.25 mm |
|
T5 |
7.5 mm |
|
G2 |
M5 |
fixing screws above (DIN ISO 4762-12.9) |
G2 MA |
10 Nm |
maximum tightening torque 2 |
A3 |
4.7 mm |
position lubrication connector |
G3 |
M5 |
lubrication connector |
t G3 |
7 mm |
maximum permissible screw depth for lubrication connectors |
A4 |
3.3 mm |
position lubrication connector |
G4 |
M3 mm |
lubrication connector |
t G4 |
5.5 mm |
maximum permissible screw depth for lubrication connectors |
JL6 |
11.4 mm |
position lubrication connector |




